Профиль PLINTUS-FANTOM-H35-2000 WHITE
Встраиваемый алюминиевый профиль белого цвета для светодиодных лент и линеек под строительную отделку для создания эффекта парящей стены. Не является плинтусом, используется как декоративная накладка на фальш-стены.
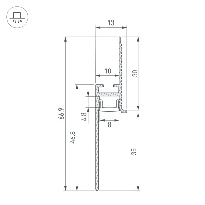
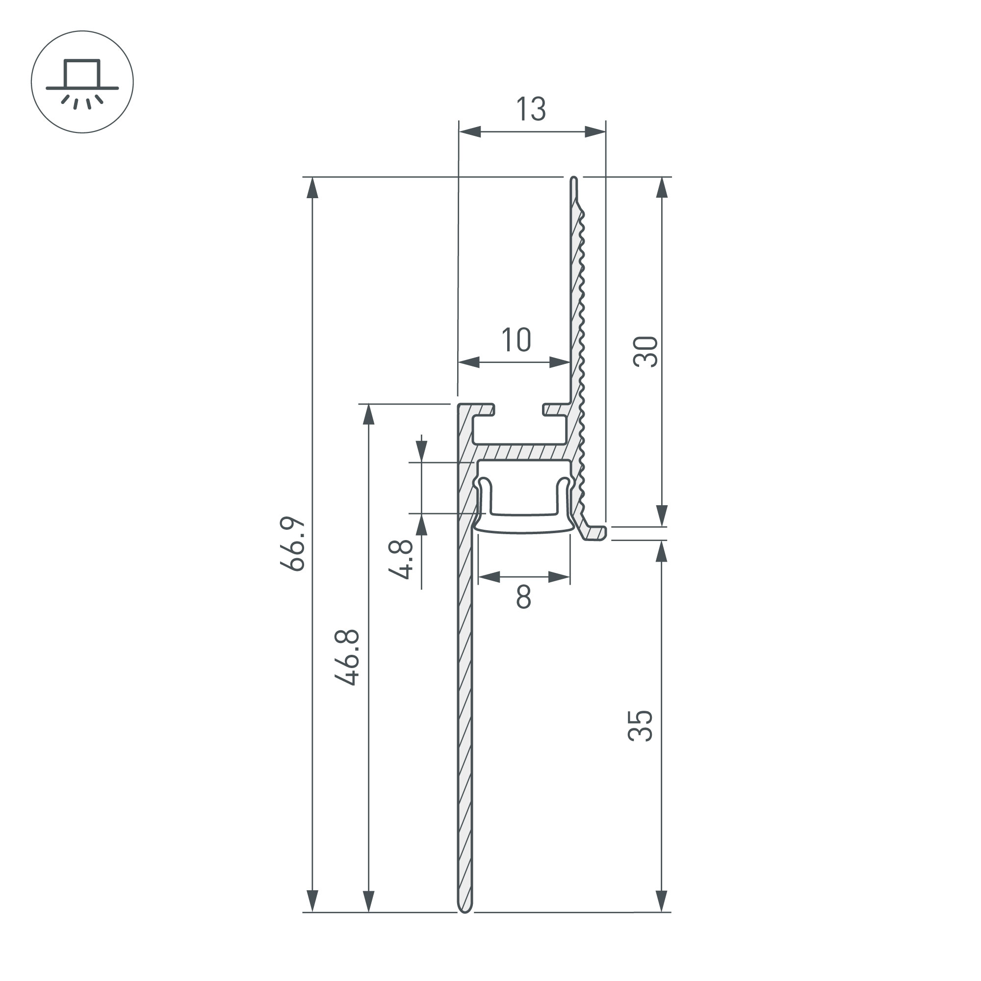
Габаритные размеры этого профиля составляют 2000 мм в длину, 13 мм в ширину и 66,9 мм в высоту. Площадка для установки светодиодных лент позволяет использовать ленту шириной до 8 мм и мощностью до 23 Вт/м. Это обеспечивает гибкость в выборе светодиодных лент и создает потрясающие световые решения.
Экран, заглушки и другие аксессуары не включены в комплект и приобретаются отдельно. Для данной модели профиля представлено два вида экрана: силиконовый экран W10-5000 SILICONE 043661 (совместим с заглушками PLINTUS-FANTOM-BENT 043898 и 043664) и пластиковый экран W10-2000 OPAL 043606 (совместим с заглушками PLINTUS-FANTOM 043607 и 043906).
Цена указана за 1 метр профиля.
Отличное решение для создания современных световых проектов.
Встраиваемый алюминиевый профиль белого цвета для светодиодных лент и линеек под строительную отделку для создания эффекта парящей стены. Не является плинтусом, используется как декоративная накладка на фальш-стены.
Габаритные размеры этого профиля составляют 2000 мм в длину, 13 мм в ширину и 66,9 мм в высоту. Площадка для установки светодиодных лент позволяет использовать ленту шириной до 8 мм и мощностью до 23 Вт/м. Это обеспечивает гибкость в выборе светодиодных лент и создает потрясающие световые решения.
Экран, заглушки и другие аксессуары не включены в комплект и приобретаются отдельно. Для данной модели профиля представлено два вида экрана: силиконовый экран W10-5000 SILICONE 043661 (совместим с заглушками PLINTUS-FANTOM-BENT 043898 и 043664) и пластиковый экран W10-2000 OPAL 043606 (совместим с заглушками PLINTUS-FANTOM 043607 и 043906).
Цена указана за 1 метр профиля.
Отличное решение для создания современных световых проектов.
|
Размер, мм
|
2000 х 13 х 66,9 |
|
ШтрихКод
|
2977990436660 |
|
Производитель
|
ARLIGHT |
|
Материал корпуса
|
Алюминий |
|
Серия
|
ARH-PLINTUS |
|
Назначение
|
Для плинтуса |
|
Способ_установки
|
Встраиваемый со скрытым фланцем |
Оформить заказ на нашем сайте легко. Просто добавьте выбранные товары в корзину, а затем перейдите на страницу Корзина, проверьте правильность заказанных позиций и нажмите кнопку «Оформить заказ» или «Быстрый заказ».
Функция «Быстрый заказ» позволяет покупателю не проходить всю процедуру оформления заказа самостоятельно. Вы заполняете форму, и через короткое время вам перезвонит менеджер магазина. Он уточнит все условия заказа, ответит на вопросы, касающиеся качества товара, его особенностей. А также подскажет о вариантах оплаты и доставки.
По результатам звонка, пользователь либо, получив уточнения, самостоятельно оформляет заказ, укомплектовав его необходимыми позициями, либо соглашается на оформление в том виде, в котором есть сейчас. Получает подтверждение на почту или на мобильный телефон и ждёт доставки.
Выберите из списка название вашего региона и населённого пункта. Если вы не нашли свой населённый пункт в списке, выберите значение «Другое местоположение» и впишите название своего населённого пункта в графу «Город». Введите правильный индекс.
В зависимости от места жительства вам предложат варианты доставки. Выберите любой удобный способ.
Оплата
Выберите оптимальный способ оплаты.
Введите данные о себе: ФИО, адрес доставки, номер телефона. В поле «Комментарии к заказу» введите сведения, которые могут пригодиться курьеру, например: подъезды в доме считаются справа налево.
Проверьте правильность ввода информации: позиции заказа, выбор местоположения, данные о покупателе. Нажмите кнопку «Оформить заказ».
Наш сервис запоминает данные о пользователе, информацию о заказе и в следующий раз предложит вам повторить к вводу данные предыдущего заказа. Если условия вам не подходят, выбирайте другие варианты.
Вы можете выбрать один из трёх вариантов оплаты:
При выборе варианта оплаты наличными, вы дожидаетесь приезда курьера и передаёте ему сумму за товар в рублях. Курьер предоставляет товар, который можно осмотреть на предмет повреждений, соответствие указанным условиям. Покупатель подписывает товаросопроводительные документы, вносит денежные средства и получает чек.
Также оплата наличными доступна при самовывозе из магазина, оплаты по почте или использовании постамата.
При оформлении заказа в корзине вы можете выбрать вариант безналичной оплаты. Мы принимаем карты Visa и Master Card. Чтобы оплатить покупку, вас перенаправит на сервер системы ASSIST, где вы должны ввести номер карты, срок действия, имя держателя.
Вам могут отказать от авторизации в случае:
- если ваш банк не поддерживает технологию 3D-Secure;
- на карте недостаточно средств для покупки;
- банк не поддерживает услугу платежей в интернете;
- истекло время ожидания ввода данных;
- в данных была допущена ошибка.
В этом случае вы можете повторить авторизацию через 20 минут, воспользоваться другой картой или обратиться в свой банк для решения вопроса.
Безналичным расчётом можно воспользоваться при курьерской доставке, использовании постамата или самовывоза из магазина.
Для оплаты вы можете воспользоваться одной из электронных платёжных систем:
- PayPal;
- WebMoney;
- Яндекс.Деньги.
Вас перенаправит на страницу платежного сервиса, следуя инструкциям, заполните правильную форму.
Наш интернет-магазин предлагает несколько вариантов доставки:
- курьерская;
- самовывоз из магазина;
- постаматы;
- почта России.
Вы можете заказать доставку товара с помощью курьера, который прибудет по указанному адресу в будние дни и субботу с 9.00 до 19.00. Курьерская служба, после поступления товара на склад, свяжется с вами и предложит выбрать удобное время доставки. Уточнит адрес.
Вы вскрываете упаковку при курьере, осматриваете на целостность и соответствие указанной комплектации. Если речь идёт об одежде, допустима примерка. Время осмотра и примерки ограничено 15 минутами. После вы можете отказаться частично или полностью от покупки.
Доставка бесплатна при заказе от 3000 рублей.
*Действует ли в вашем городе курьерская служба, уточняйте у менеджера магазина.
Вы можете забрать товар в одном из магазинов, сотрудничающих с нами. Список торговых точек, которые принимают заказы от нашей компании появится у вас в корзине. Когда заказ поступит в ваш город, вам придёт уведомление. Вы просто идёте в этот магазин, обращаетесь к сотруднику в кассовой зоне и называете номер заказа. Забрать покупку может ваш друг или родственник, который знает номер и имя, на кого он оформлен.
Постамат – это терминал с автоматизированной системой для хранения заказанных товаров. Удобство в том, что человек может забрать заказ в любое удобное время.
- в момент оформления заказа на сайте, вы выбираете удобный для себя постамат, если такая система работает в вашем городе;
- на ваш телефон или e-mail придет уникальный код, это значит, что товар доставлен в постамат;
- вы приходите к постамату, вводите полученный код и следует инструкциям автомата;
- оплачиваете заказ в терминале постамата;
- забираете товар.
Срок хранения в постамате 3 дня, но можно продлить ещё на аналогичный срок. Чтобы уточнить информацию и продлить время хранения зайдите на сайт нашего партнера, введите номер заказа и телефон и следуйте подсказкам на сайте.
Если в вашем городе не действует курьерская служба и постаматы, то вы можете заказать доставку через почту России. Сразу по прибытии товара, на ваш адрес придет извещение о посылке.
Перед оплатой вы можете оценить состояние коробки (не вскрывая): вес, целостность. Если вам кажется, что заказ не соответствует параметрам или коробка повреждена, попросите сотрудника почты составить акт о вскрытии. Вскрывать коробку самостоятельно вы можете только после того, как оплатили заказ.
Один заказ может содержать не больше 10 позиций и его стоимость не должна превышать 100 тысяч рублей.

























































![Профиль WPH [пластик]](/upload/resize_cache/iblock/a1f/50_50_1/fla543htfp9mowmtc5g8vf1cbd6cb7l2.jpg)





















































